Штаб с переговорной № 25
1298000 руб.
В наличии
Нет в наличии
- 60 площадок по всей РФ
- Быстрый расчет и доставка
- Большой ассортимент оборудования для стройки
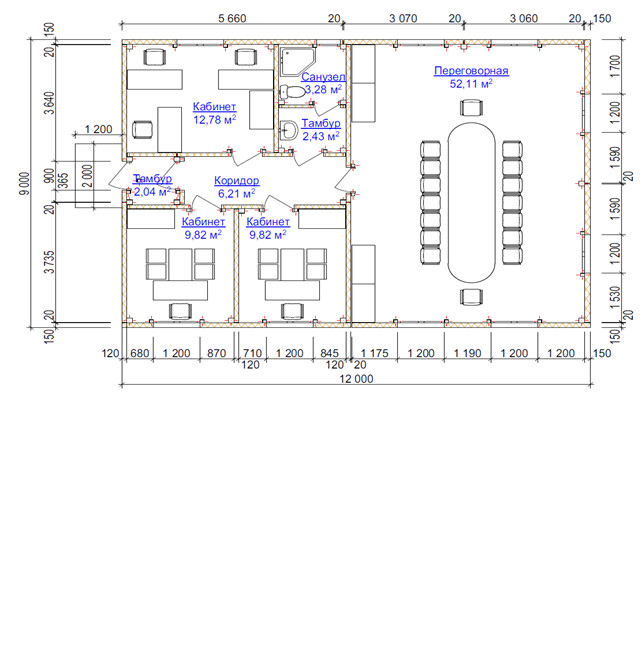
Штаб №25 12х9х2,4 м из 5 блоков по 9 м. Профлист С8, утепление 50 мм, 9 окон ПВХ. Аренда от 65 000 ₽/мес, продажа от 1 900 000 ₽. Доставка по СПб, Москве и России за 24ч.
- Артикул:
- ПР-МЗ-25
Штаб строительный с переговорной №25 — это крупногабаритный административный комплекс площадью 108 м² из пяти 9-метровых блок-контейнеров для управления крупными строительными объектами, промышленными площадками и нефтегазовыми месторождениями по всей России. Благодаря продуманной планировке с просторной переговорной на 2 блока, тремя кабинетами (включая два руководительских) и санузлом с душевой кабиной вы получаете полностью автономный офис для размещения 12-15 сотрудников в условиях Санкт-Петербурга, Москвы и удалённых регионов.
Ключевые преимущества штаба №25:
Вместимость для крупного управленческого аппарата:
Переговорная 36 м² (2 блока) комфортно размещает до 14 человек за столом для проведения совещаний высокого уровня
Три кабинета общей площадью 45 м²: два изолированных руководительских по 15 м² + общий кабинет 15 м² для инженеров и специалистов
Санузел с душевой кабиной позволяет руководителям и инженерам оставаться на объекте без выезда в город после рабочего дня
Центральный коридор выполняет функцию входного тамбура, снижая теплопотери при интенсивном проходе персонала на 45%
Экономическая эффективность для крупных проектов:
Стоимость аренды от 65 000 ₽/мес вместо аренды офисного здания от 350 000 ₽/мес — экономия 81%
Срок окупаемости при покупке — от 28 месяцев благодаря стоимости от 1 900 000 ₽ вместо строительства капитального офиса от 15 000 000 ₽
Сборка пятблочного комплекса занимает 20-24 часа вместо 4-5 недель на возведение капитального здания
Предлагаем как аренду, так и покупку от «Профмастер»:
Аренда от 65 000 ₽/мес с доставкой и установкой
Продажа от 1 900 000 ₽ за базовую комплектацию, от 2 400 000 ₽ с электрификацией 380В, отоплением 8 кВт и полной меблировкой (8 столов, 16 стульев, шкафы)
Рассрочка до 36 месяцев без процентов для юридических лиц
Бесплатная доставка по России при покупке от 2 200 000 ₽
Технические характеристики:
Надёжная конструкция из профлиста:
Каркас из швеллера холодногнутого 120х50х3 мм и уголка 90х90х3 мм выдерживает ветровые нагрузки до 35 м/с
Наружная обшивка оцинкованным профлистом С8 толщиной 0,4 мм с защитой от коррозии до 20 лет
Утепление стен и пола минеральной ватой 50 мм, потолка — 100 мм позволяет эксплуатировать штаб при температурах до -15 градусов Цельсия
Габариты: длина 12 м, ширина 9 м, высота 2,4 м, общая площадь 108 м²
Инженерные решения для административной работы:
9 окон ПВХ 0,8х1 м с поворотным механизмом обеспечивают естественное освещение всех помещений без искусственного света в дневное время
1 окно ПВХ 500х500 мм в санузле для вентиляции влажных помещений
Входная дверь оргалитовая 2х0,8 м с оцинковкой + 7 межкомнатных дверей для разделения зон
Сантехника: унитаз «Компакт», умывальник санфаянс, душевой поддон эмалированный — всё производства России
Раздельная отделка: ДВП в сухих помещениях, ПВХ в санузле с дополнительной герметизацией стыков
Почему выбирают «Профмастер»: Компания «Профмастер» специализируется на модульных решениях с 2014 года. Наши штабы используются на объектах «Газпрома», «Роснефти» и крупных строительных площадках в Санкт-Петербурге, Москве и Ямало-Ненецком автономном округе. Гарантия: 36 месяцев при аренде, 60 месяцев при покупке. Все модули проходят сертификацию по требованиям пожарной безопасности и санитарным нормам. Доставка: 24 часа по СПб и Москве, 3-10 дней по регионам России. Готовы рассчитать штаб под ваш проект? Оставьте заявку — подготовим проект с расстановкой мебели за 45 минут!
Сколько человек комфортно размещается в штабе площадью 108 м²?
В штабе комфортно работают 12-15 человек одновременно: 2 руководителя в изолированных кабинетах, 6-8 специалистов в общем кабинете и переговорной, 2-3 человека в коридоре-тамбуре. Для размещения 20+ человек рекомендуем штаб из 7 блоков — доплата 760 000 ₽.
Какая температура поддерживается внутри зимой при утеплении 50 мм?
Утепление 50 мм минеральной ватой обеспечивает комфортную эксплуатацию до -15 градусов Цельсия без отопления. Для работы в регионах Сибири устанавливаем систему отопления 8 кВт — доплата 165 000 ₽. При работе отопления поддерживается +18 градусов Цельсия внутри при -30 градусов Цельсия на улице.
Сколько стоит доставка в Норильск?
Доставка штаба №25 (5 блоков по 9 м) в Норильск стоит 220 000 ₽. В стоимость входит погрузка 3 манипуляторами, транспортировка колонной до Дудинки, перевалка на речное судно, доставка до Норильска и установка на площадку. Срок доставки — 12-15 дней. При заказе от 2 500 000 ₽ доставка до Дудинки бесплатная.
Можно ли увеличить утепление до 100 мм для Крайнего Севера?
Да, устанавливаем дополнительный слой минеральной ваты 50 мм во все конструкции (стены, пол, потолок) — доплата 280 000 ₽. Такая модификация обеспечивает эксплуатацию до -25 градусов Цельсия без отопления и до -40 градусов Цельсия с отоплением 8 кВт. Все работы выполняем на заводе перед отправкой.
Как происходит монтаж пятблочного штаба на объекте?
Монтаж занимает 20-24 часа силами бригады из 8 человек: выравнивание площадки, установка 5 блоков по схеме, сварка стыков, монтаж перегородок и дверей. Для подключения электричества (380В), водоснабжения и канализации требуется дополнительные 6 часов. Всю работу выполняем своими бригадами без привлечения субподрядчиков.
Сколько совещаний можно проводить в переговорной за день?
Переговорная 36 м² комфортно размещает 14 человек за столом размером 4х1,2 м. При организации трёх совещаний по 1,5 часа с перерывами на подготовку штаб обслуживает до 42 участника за рабочий день. Для увеличения вместимости до 20 человек устанавливаем раскладной стол — доплата 45 000 ₽.
Ключевые преимущества штаба №25:
Вместимость для крупного управленческого аппарата:
Переговорная 36 м² (2 блока) комфортно размещает до 14 человек за столом для проведения совещаний высокого уровня
Три кабинета общей площадью 45 м²: два изолированных руководительских по 15 м² + общий кабинет 15 м² для инженеров и специалистов
Санузел с душевой кабиной позволяет руководителям и инженерам оставаться на объекте без выезда в город после рабочего дня
Центральный коридор выполняет функцию входного тамбура, снижая теплопотери при интенсивном проходе персонала на 45%
Экономическая эффективность для крупных проектов:
Стоимость аренды от 65 000 ₽/мес вместо аренды офисного здания от 350 000 ₽/мес — экономия 81%
Срок окупаемости при покупке — от 28 месяцев благодаря стоимости от 1 900 000 ₽ вместо строительства капитального офиса от 15 000 000 ₽
Сборка пятблочного комплекса занимает 20-24 часа вместо 4-5 недель на возведение капитального здания
Предлагаем как аренду, так и покупку от «Профмастер»:
Аренда от 65 000 ₽/мес с доставкой и установкой
Продажа от 1 900 000 ₽ за базовую комплектацию, от 2 400 000 ₽ с электрификацией 380В, отоплением 8 кВт и полной меблировкой (8 столов, 16 стульев, шкафы)
Рассрочка до 36 месяцев без процентов для юридических лиц
Бесплатная доставка по России при покупке от 2 200 000 ₽
Технические характеристики:
Надёжная конструкция из профлиста:
Каркас из швеллера холодногнутого 120х50х3 мм и уголка 90х90х3 мм выдерживает ветровые нагрузки до 35 м/с
Наружная обшивка оцинкованным профлистом С8 толщиной 0,4 мм с защитой от коррозии до 20 лет
Утепление стен и пола минеральной ватой 50 мм, потолка — 100 мм позволяет эксплуатировать штаб при температурах до -15 градусов Цельсия
Габариты: длина 12 м, ширина 9 м, высота 2,4 м, общая площадь 108 м²
Инженерные решения для административной работы:
9 окон ПВХ 0,8х1 м с поворотным механизмом обеспечивают естественное освещение всех помещений без искусственного света в дневное время
1 окно ПВХ 500х500 мм в санузле для вентиляции влажных помещений
Входная дверь оргалитовая 2х0,8 м с оцинковкой + 7 межкомнатных дверей для разделения зон
Сантехника: унитаз «Компакт», умывальник санфаянс, душевой поддон эмалированный — всё производства России
Раздельная отделка: ДВП в сухих помещениях, ПВХ в санузле с дополнительной герметизацией стыков
Почему выбирают «Профмастер»: Компания «Профмастер» специализируется на модульных решениях с 2014 года. Наши штабы используются на объектах «Газпрома», «Роснефти» и крупных строительных площадках в Санкт-Петербурге, Москве и Ямало-Ненецком автономном округе. Гарантия: 36 месяцев при аренде, 60 месяцев при покупке. Все модули проходят сертификацию по требованиям пожарной безопасности и санитарным нормам. Доставка: 24 часа по СПб и Москве, 3-10 дней по регионам России. Готовы рассчитать штаб под ваш проект? Оставьте заявку — подготовим проект с расстановкой мебели за 45 минут!
Сколько человек комфортно размещается в штабе площадью 108 м²?
В штабе комфортно работают 12-15 человек одновременно: 2 руководителя в изолированных кабинетах, 6-8 специалистов в общем кабинете и переговорной, 2-3 человека в коридоре-тамбуре. Для размещения 20+ человек рекомендуем штаб из 7 блоков — доплата 760 000 ₽.
Какая температура поддерживается внутри зимой при утеплении 50 мм?
Утепление 50 мм минеральной ватой обеспечивает комфортную эксплуатацию до -15 градусов Цельсия без отопления. Для работы в регионах Сибири устанавливаем систему отопления 8 кВт — доплата 165 000 ₽. При работе отопления поддерживается +18 градусов Цельсия внутри при -30 градусов Цельсия на улице.
Сколько стоит доставка в Норильск?
Доставка штаба №25 (5 блоков по 9 м) в Норильск стоит 220 000 ₽. В стоимость входит погрузка 3 манипуляторами, транспортировка колонной до Дудинки, перевалка на речное судно, доставка до Норильска и установка на площадку. Срок доставки — 12-15 дней. При заказе от 2 500 000 ₽ доставка до Дудинки бесплатная.
Можно ли увеличить утепление до 100 мм для Крайнего Севера?
Да, устанавливаем дополнительный слой минеральной ваты 50 мм во все конструкции (стены, пол, потолок) — доплата 280 000 ₽. Такая модификация обеспечивает эксплуатацию до -25 градусов Цельсия без отопления и до -40 градусов Цельсия с отоплением 8 кВт. Все работы выполняем на заводе перед отправкой.
Как происходит монтаж пятблочного штаба на объекте?
Монтаж занимает 20-24 часа силами бригады из 8 человек: выравнивание площадки, установка 5 блоков по схеме, сварка стыков, монтаж перегородок и дверей. Для подключения электричества (380В), водоснабжения и канализации требуется дополнительные 6 часов. Всю работу выполняем своими бригадами без привлечения субподрядчиков.
Сколько совещаний можно проводить в переговорной за день?
Переговорная 36 м² комфортно размещает 14 человек за столом размером 4х1,2 м. При организации трёх совещаний по 1,5 часа с перерывами на подготовку штаб обслуживает до 42 участника за рабочий день. Для увеличения вместимости до 20 человек устанавливаем раскладной стол — доплата 45 000 ₽.